
EDF-5风淋室离心风机是pg游戏app下载大全研发的一款用于风淋室的净化风机;
本系列风机具有高效率、低噪音、低震动、温升低、压力曲线平稳等特点;
可以用于风淋室、货淋室、风淋通道、室内通风换气等。
EDF-5风淋室离心风机是pg游戏app下载大全研发的一款用于风淋室的净化风机;
本系列风机具有高效率、低噪音、低震动、温升低(低至27度)、压力曲线平稳等特点;
可以用于风淋室、货淋室、风淋通道、室内通风换气等。
| 流量 | 850m³/h | 全压 | 1020Pa | 噪音 | ≤72dB |
| 功率 | 0.55kw | 转速 | 2800r/min | 电压 | 380V/220V |
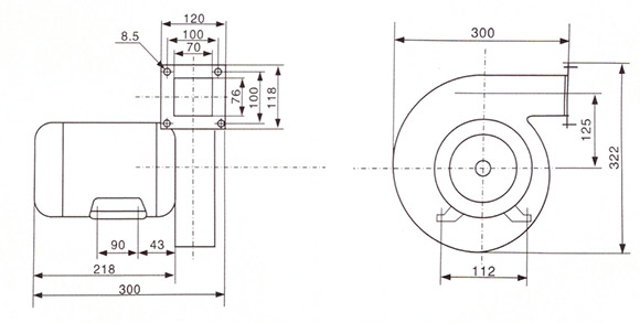
外形尺寸
特性曲线
风淋室、货淋室、风淋通道、货淋通道、无尘车间通风换气
禁止反方向旋转
禁止超额定电流运行
禁止缺相运行
禁止在运转中维护风机